近日,我院集成电路设计研究中心提出并实现一种具有高分辨率、高位宽的数字脉宽调制器混合结构,相关成果以“A High Resolution DPWM Based on Synchronous Phase-Shifted Circuit and Delay Line”为题发表在电子工程类国际著名期刊IEEE Trans. Circuits Syst. I, Reg. Papers(2020, 67(8):2685-2692)。
数字控制开关电源是目前开关电源领域的研究重点和发展趋势,具有集成度高、稳定性好、控制算法易于实现、可重构等优点。然而,数字电路固有的采样误差、延时等问题,成为影响数字电源性能的关键因素。作为数字电源控制系统的重要模块,数字脉宽调制器(DPWM)的作用是将多位数字控制信号转换成一位占空比信号,类似于数模转换器,其性能直接决定数字电源的整体性能。
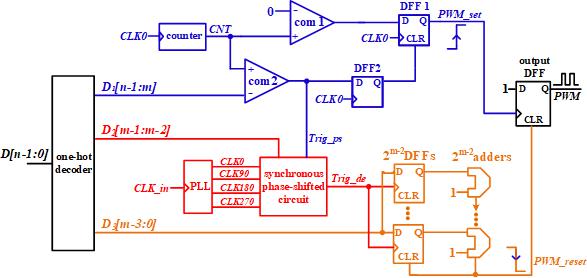
该团队针对高性能数字脉宽调制器展开一系列研究,前期工作包括首次提出DPWM关键路径中的逻辑和互连延时所引起的占空比增量现象,并对该占空比增量进行补偿,最终实现11位、时间分辨率53ps的数字脉宽调制器,该成果发表在电子工程类国际著名期刊IEEE Trans. Power Electron.(2018, 33(12):10794-10802)。在此基础上,该团队进一步对DPWM关键路径的时序进行优化设计,并提出新型相移同步电路和快速进位链构成数字脉宽调制器,最终实现14位、时间分辨率41.3ps的数字脉宽调制器。上述工作为高性能数字开关电源的实现提供了有力技术支持。
该论文得到国家自然科学基金委和中央高校基本科研业务费专项资金的资助。星空游戏官网app为该论文唯一署名单位,作者包括程心副教授(第一作者)、解光军教授、张章教授(通讯作者)。
论文链接:https://doi.org/10.1109/TCSI.2020.2977146

图1 基于同步相移电路和延时链的高分辨率数字脉宽调制器结构

图2 数字脉宽调制器的线性度、时间分辨率测试曲线







